高级驾驶辅助系统 (ADAS),包括自动驾驶视觉分析、泊车辅助和自适应控制功能中的汽车系统电气化日益普及。智能连接、安全关键型软件应用以及神经网络处理都需要增强的实时计算能力。
要满足这些高级要求,需要能够支持超过100A的电子控制单元 (ECUs) 的多核处理器,例如 TDA4VH-Q1。不过,高功率也带来了设计挑战,包括实现更高电流轨的高效率、在满载条件下控制热性能和负载瞬态以及满足功能安全需求。
提供 ADAS 处理能力
TPS62876-Q1 降压转换器通过全新的堆叠功能帮助设计人员突破超过 30A 的电流限制,该功能可实现为 TDA4VH-Q1 等片上系统 (SoC) 充电所需的高电流。该系列器件采用相同封装,可提供 15A 至 30A 电流,并且通过堆叠功能还能支持大于 100A 的负载电流。
将这些器件进行堆叠不仅能为下一代 ADAS SoC 内核供电,还能通过降低热限制来提升热性能并提高效率。请参阅图 1。

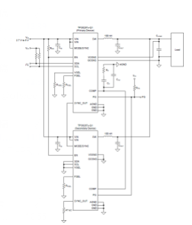
图 1:采用堆叠配置的两个 TPS62876-Q1 器件
使用菊花链方法可使堆叠功能正常运行。主器件控制一个补偿网络、一个 POWERGOOD 引脚、一个 ENABLE 引脚和一个 I2C 接口。为实现最佳电流共享,必须将堆叠中的所有器件编程为使用相同的电流额定值、开关频率和电流电平。
堆叠中的主器件还可以设置输出电压并控制稳压。如果 SYNCOUT 引脚和接地端之间有一个47-kΩ电阻器,该器件会作为辅助器件运行。如果 SYNCOUT 引脚处于高阻抗状态,则该器件作为主器件运行。图 2 展示了印刷电路板上部署的堆叠配置。

图 2:三个 TPS62876-Q1 降压转换器堆叠的评估模块示例
该系列降压转换器的其他性能包括:
- 压降补偿,也称之为负载线路(自动电压定位)。通过调节标称输出电压可基于输出电流(15A 至 30A)提供更出色的负载瞬态容差,并减少输出电容,从而实现成本优化型、高功率密度解决方案。REGISTER 引脚可启用或禁用压降补偿,默认情况下为禁用状态。
- 远程检测功能支持各种具有较严格输出电压要求(需要在负载瞬态期间提供更多余量)的 SoC 处理器。器件的远程检测线路直接连接到负载点,支持以 0.8% 的精度设置电压。
- I2C接口监控系统性能,并在温度和输出电流超出指定限制时发出警告。此外,也可以使用动态电压调节,将输出电压在 0.4V 至 1.675V 之间进行调节。如果不需要I2C功能,仍可通过将 SCL 和 SDA 引脚接地来使用同一器件。
功能安全
功能安全在 ADAS 中非常重要,特别是对于自动驾驶。TPS62876-Q1 降压转换器提供多个 TI 功能安全型级别文档,包括:
- 根据业内可靠性标准估算的半导体元件的功能安全时基故障率。
- 基于器件主要功能的元件故障模式及其分布。
- 引脚故障模式分析。
通过向设计中添加外部监控器,满足汽车安全完整性等级标准要求。
结语
要实现汽车工程师学会 2 级等更高的自动驾驶级别,需要更高的计算能力来提供更高的分辨率,并在极短时间内进行快速响应。人工智能技术等嵌入式特性也促使对更高功率的 ADAS SoC 处理器的需求不断增加。TPS62876-Q1 系列的可堆叠功能可帮助实现大于 100A 的内核电源,进而实现更高级别的自动驾驶。
1038
下载ECAD模型